Item number: 04530169067, 04530269067
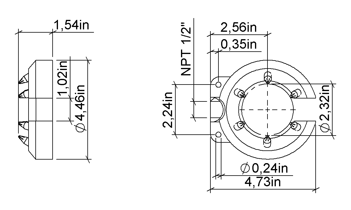
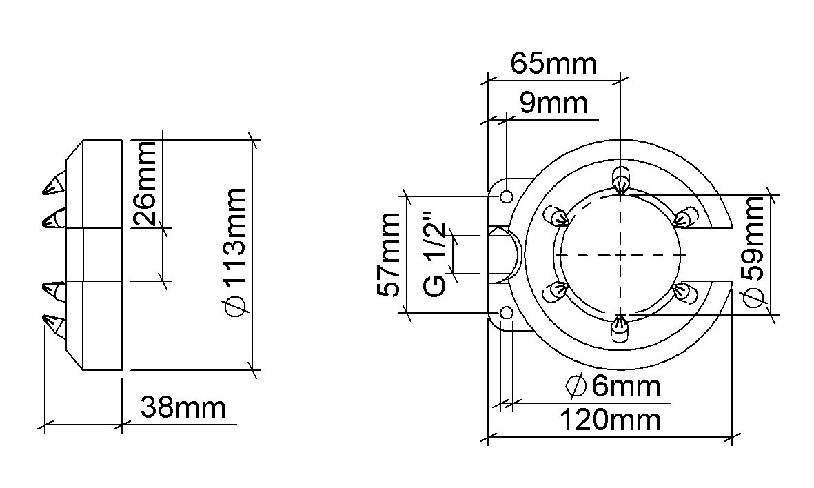
SILVENT 453: the smallest version of Silvent’s doughnut nozzles with just an inner ring of nozzles. This is our most commonly used type of doughnut nozzle. Finding the blowing pattern that is most suitable for the majority of blow-off processes is the result of years of experience with previous generations of doughnut nozzles. These nozzles are designed for continuous production and the cleaning or drying of cables, sections, pipes, hoses, etc. The SILVENT 453 allows problem-free insertion and removal of material with diameters of 5 mm to 25 mm (0.2”-1.0”). There are attachment lugs for easy and safe mounting.
Noise reduction 22 dB(A)
Energy savings 41.8 scfm
Material specification: Zn ZP0410, EN 1.4305, EN AB 43200
Material specification: Zn ZP0410, EN 1.4305, EN AB 43200


See basic information about the technical data. Read more
Cleaning a rubber strip from chips using the doughnut nozzle SILVENT 455.
SILVENT’s doughnut nozzles are designed to surround the material and deliver a uniform 360° air jet. The nozzles are arranged in inner, outer or double rings depending on application needs. Each nozzle is angled for maximum efficiency and minimal noise. Air is distributed evenly around the opening, including at the split in the ring, where specially angled nozzles ensure consistent coverage.
Read Silvent Group General Instructions for Use before you install the product.